

蛇簧联轴器的结构紧凑、外形尺寸小,工作可靠,适用于连接两同轴线的中、大功率的传动轴系。具有补偿两轴相对偏移的减震、缓冲性能。工作温度为-30℃-+150℃,传递公称转矩52-931000N.m.一般两轴相对的许用位移量:轴向为4-20mm;径向为0.5-3mm;角位移为1°15′。蛇簧联轴器广泛应用于各工业领域。
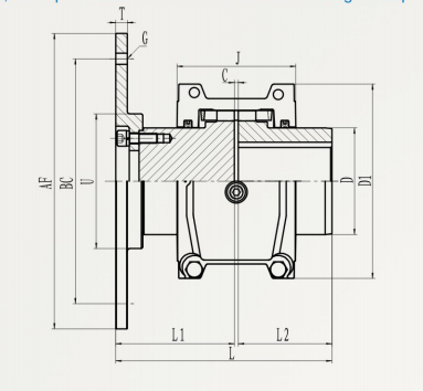
福克T90联轴器的参数及主要尺寸



公司生产地址:江苏省镇江市高新技术开发园区68号
销售中心地址:江苏省镇江丁卯开发区智慧大道668号705室
手机:孙女士 18952800101
QQ:1991897647
电话:0511-85788529
传真:0511-85019680(自动接收)
企业邮箱:sales@lzqgs.cn
Copyright © 镇江海诚机械制造有限公司 版权所有 技术支持:江苏易润
专业生产:雨水收集系统 | 弹性联轴器 | 弹性柱销联轴器 | 弹性星型联轴器 | 梅花形弹性联轴器 | 中间轴柱销齿式联轴器