

ZLD(LZD)弹性柱销联轴器 特点及应用场合:可补偿两轴相对偏移,减振功能差,传动精度低,传递转矩大,与齿式联轴器相比,结构简单,质量轻,制造方便,维护简便.不用润滑,部分代替齿式联轴器,噪声大,适用于大、中转矩轴系传动,不适用于对减振效果要求高和对噪声需严加控制的部位。
ZL型—基本型;
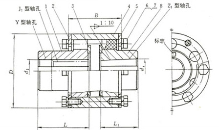
ZID型—圆锥孔型(与电机联接);
ZLZ型—接中间轴型;
ZLL型—带制动轮型;

ZLD(LZD)圆锥轴孔柱销齿式联轴器基本参数与主要尺寸:(GB/T 5015-85) mm


公司生产地址:江苏省镇江市高新技术开发园区68号
销售中心地址:江苏省镇江丁卯开发区智慧大道668号705室
手机:孙女士 18952800101
QQ:1991897647
电话:0511-85788529
传真:0511-85019680(自动接收)
企业邮箱:sales@lzqgs.cn
Copyright © 镇江海诚机械制造有限公司 版权所有 技术支持:江苏易润
专业生产:雨水收集系统 | 弹性联轴器 | 弹性柱销联轴器 | 弹性星型联轴器 | 梅花形弹性联轴器 | 中间轴柱销齿式联轴器